摇表又称兆欧表,主要用于测量电气设备的绝缘电阻。摇表的额定电压有500、1000、2500V等。

·B6:振动台的结构
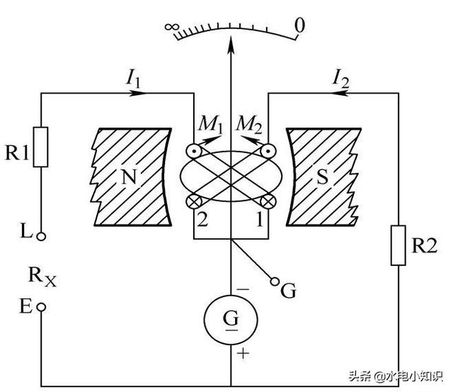
摇表由一个手动发电机、一个表头和三个端子(即L:线路端子、E:接地端子、G:屏蔽端子)组成。

·B6:振动台的工作原理

1.测得的电阻Rx连接在“l”和“e”端子之间。
2.摇动DC发生器的手柄,在发生器两端产生较高的DC电压,线圈1和线圈2同时通电。

当手柄以120转/分的速度均匀摇动时,仪表中的DC发电机输出仪表的额定电压。在线圈1和被测电阻之间有一个电流I1,在线圈2和仪表中的附加电阻R2之间有一个电流I2。这两种电流与磁场一起作用。

产生相反的扭矩,当I1电流最大时(即测得的电阻为0),指针指向刻度0。当I2电流最大时(即开路状态),指针指向无限刻度∝,当被测电阻为某值时,指针指的是被测电阻的值。由于摇表中没有游丝,不能产生反作用力矩,所以在遇到麻烦时,摇表停留在任意位置(即不定位),而不是归零,这与其他指针式仪器不同。

·B6:振动台的选择
1)摇表的额定电压必须与被测电气设备或电路的工作电压相适应。额定电压在500伏以下的设备,一般用500伏或1000伏摇表;额定电压500 V及以上的设备,应选用1000~2500 V摇表。https://www.diangon.com/m278811.html
2)摇表的测量范围应与被测绝缘电阻的范围一致,以免造成较大的读数误差。
·B6:振动台的使用
1)振动台的接线
振动台有三个端子按钮,分别标为L(线)、E(地)、G(屏蔽)。

测量电力设备对地绝缘电阻时,L应接在被测设备上,E应可靠接地。
2)检查摇表
【开路测试】待测电阻与摇表连接前,摇动手柄使发电机达到额定转速120转/分,观察指针是否指向刻度“∞”的位置。

【短路测试】将端子按钮L和E短路,慢慢摇动手柄,观察指针是否指向刻度的“0”位置。

(1)观察被测设备和线路是否在停电情况下测量。而且振动台与被测设备之间的连接线不能使用双绞绝缘导线或绞合导线,应使用单绞导线单独连接。

(2)将被测设备与振动台正确连接。由慢到快摇动手柄至额定转速120 r/min。

(3)正确读取测量的绝缘电阻。同时,还应记录测量过程中的温度、湿度和被测设备的状况,以便于对测量结果进行分析。

·B6:常见电气设备振动测量方法详解
(1)测量照明或电力线路对地的绝缘电阻。
将振动台端子的(E)和(L)连接到被测线路。顺时针摇动手表的发电机手柄,速度会由慢变快,达到120/分钟。大约一分钟后,当发电机转速稳定后,表针也会稳定,表针指示的数值即为测得的绝缘电阻值。测量方法如图所示。

(2)测量电机的绝缘电阻
将振动台的端子(E)连接到外壳上。(l)将其连接到电机绕组,并以120 rpm的速度摇动仪表手柄。指针稳定后读取。测量方法如图所示。

(3)测量变压器各相线圈的绝缘电阻。
1)测量各相线圈对地绝缘电阻时,将绕组线接到摇表(L)的端子上,将设备外壳和铁芯接到摇表(E)的端子上,将瓷绝缘子接到(G)的端子上。测量方法如图所示。

2)测量绕组相间绝缘电阻时,将任意两根导线与摇表的(L)端和(E)端相连,分别测量相间绝缘电阻。
(4)测量电缆的绝缘电阻。
1)铠装电缆
测量电缆对地绝缘电阻时:在待测两端连接两个端子(E)和(L ),将端子(G)引至电缆壳芯间的绝缘层。测量方法如图所示。

测量电缆相对相位绝缘时:将待测的其中一个端子(L)连接上,将其它任意一个端子(E)连接到摇表上,转动摇表测量相间绝缘电阻,用同样的方法测量另外两个相间绝缘电阻。测量方法如图所示。
2)橡胶护套电缆
测量橡皮护套电缆对地绝缘电阻时,将摇表(L)接在主芯线上,然后将接地端子按钮(E)接在接地芯线上,用导线连接橡皮护套,再将另一端接在摇表的(G)端子上。转动手柄,测量相对对地绝缘电阻值。测量方法如图所示。

测量相间绝缘电阻时,将两端(L)和(E)连接到任意两相芯线上,然后测量相间绝缘电阻。测量方法如图所示。

·B6:使用摇表时的注意事项(13项)
1、用摇表测量高压设备的绝缘,应由两人手持。
2.应根据被测设备的电压等级选择合适的绝缘电阻测试仪。
3.测量导线应使用绝缘线,其端部应有绝缘套管。
4.振动台与被测设备之间应采用单股导线单独连接,线路表面应保持清洁干燥,以避免线路间绝缘不良造成误差。
5.测量绝缘时,要从各方面断开被测设备,核实无电压,真正证明设备无人值守。测量期间不要让其他人靠近设备。
6.测量绝缘前后,被测设备必须对地放电。被测设备必须与其他电源断开,以保护设备和人身安全。
7.测量线路绝缘时,应得到对方的允许。
8.在有感应电压的线路上测量绝缘时(同杆架设的双回路线路或单回路与另一条线路有平行截面),另一条线路必须同时断电。
9.在带电设备附近测量绝缘电阻时,测量人员和摇表必须选择合适的位置,并保持安全距离,以防止摇表引线或引线支架接触带电部分。移动导线时,必须小心防止工作人员触电。
10.摇动时,将摇床置于水平位置,曲柄转动时不要使旋钮间短路。测量电容器和电缆时,必须在摇把转动时断开接线,否则反充电会损坏摇表。
1、摇动手柄时,应由慢到快,匀速加速至120 r/min,并注意防止触电。在晃动的过程中,当指针已经指向零时,就不能继续晃动,以防手表中的线圈受热损坏。
12.为了防止被测设备的表面泄漏电阻,在使用摇表时,被测设备的中间层(如电缆芯线间的内绝缘)应接入保护环。
13.禁止在雷电天气或有高压导体的设备附近使用摇表测量。
·B6:关于绝缘电阻测量的几个问题







